专业中低压MOSFET半导体器件生产制造商 全国咨询热线:13530005572      泽水晶源-微信客服一扫码咨询 泽水晶源-微信客服二扫码咨询

您当前位置:首页 > 新闻中心 > 技术文章

GaN 和 SiC 器件相似和差异

发布时间:2022-05-27

几十年来,硅一直主导着晶体管世界,但这种情况正在逐渐发生变化。已经开发出由两种或三种材料制成的化合物半导体,并具有独特的优势和卓越的特性。例如,化合物半导体为我们提供了 LED:一种是由砷化镓 (GaAs) 和砷化镓和磷 (GaAsP) 的混合物组成;其他人使用铟和磷。

虽然化合物半导体更难制造且更昂贵,但与硅相比,它们具有显着的优势。汽车电气系统和电动汽车 (EV) 等新的、要求更高的应用的设计人员发现,化合物半导体更能满足其严格的规范。


作为解决方案出现的两种化合物半导体器件是氮化镓和碳化硅功率晶体管。这些器件与寿命长的硅功率 LDMOS MOSFET 和超级结 MOSFET 竞争。GaN 和 SiC 器件在某些方面相似,但有显着差异。本文将两者进行比较并提供信息以帮助您为下一个设计做出决定。


GaN 和 SiC 器件相似和差异


图 1:流行的高压、大电流晶体管和其他设备以及主要应用的功率能力与开关频率的关系

宽带隙半导体

化合物半导体被称为宽带隙器件。在不诉诸晶格结构、能级和其他令人麻木的半导体物理学的情况下,我们只想说 WBG 的定义试图描述电流(电子)如何在化合物半导体中流动。

WBG 化合物半导体具有高电子迁移率和更高的带隙能量,转化为优于硅的特性。由 WBG 化合物半导体制成的晶体管具有更高的击穿电压和更大的高温耐受性。对于高压和高功率应用,这些器件优于硅等效器件。

GaN 和 SiC 器件相似和差异

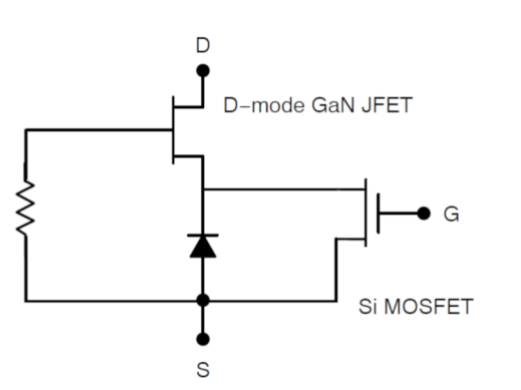
图 2:双芯片双 FET 共源共栅电路将 GaN 晶体管转换为常态“关断”器件,实现高功率开关电路中标准的增强型操作模式。

WBG 晶体管的开关速度也更快,并且可以在比硅更高的频率下运行。较低的导通电阻意味着它们消耗的功率较少,从而提高效率。这种独特的特性组合使这些器件对汽车应用中使用的一些最苛刻的电路具有吸引力,尤其是混合动力电动汽车 (HEV) 和 EV。

GaN 和 SiC 晶体管正变得越来越容易用于解决汽车电子设备的挑战。GaN 和 SiC 器件的关键要点是以下优势:

具有 650、900 和 1,200 V 器件的高压能力
更快的切换速度
更高的工作温度
更低的传导电阻,最小的功耗和更高的效率
氮化镓晶体管
GaN 晶体管在射频 (RF) 功率领域找到了早期的利基。材料的性质导致了耗尽型(d 型)场效应晶体管(FET)的发展。d 型 FET 被称为假晶高电子迁移率晶体管 (pHEMT),自然是“导通”器件;没有栅极控制输入,存在自然传导通道。栅极输入信号控制通道导通并打开和关闭器件。

由于通常“关闭”的增强模式(e 模式)器件在开关应用中是首选,这导致了 e 模式 GaN 器件的开发。第一个是两个 FET 器件的级联(图 2);现在,可以使用标准的 e-mode GaN 器件。它们可以在高达 10 MHz 和高达数十千瓦的频率下进行切换。

碳化硅晶体管

SiC 晶体管是自然的 e-mode MOSFET。这些器件可以在远高于硅 MOSFET 的电压和电流水平下以高达 1 MHz 的频率进行开关。最大漏源电压高达约 1,800 V,电流能力可达 100 A。此外,SiC 器件的导通电阻远低于硅 MOSFET,使其在所有开关电源应用中的效率更高。一个主要缺点是它们需要比其他 MOSFET 更高的栅极驱动电压,尽管随着设计的改进,这种情况正在发生变化。

SiC 器件需要 18 到 20 V 的栅极驱动电压来开启具有低导通电阻的器件。标准 Si MOSFET 需要小于 10 V 的栅极才能完全导通。此外,SiC 器件需要 –3- 至 –5-V 栅极驱动器以切换到“关闭”状态。然而,已经开发了特殊的栅极驱动 IC 来满足这种需求。碳化硅 MOSFET 通常比其他替代品成本更高,但它们的高电压、高电流能力使其非常适合汽车电源电路。

WBG晶体管竞赛

GaN 和 SiC 器件都与其他成熟的半导体竞争,特别是 Si LDMOS MOSFET、超级结 MOSFET 和 IGBT。在许多应用中,这些较旧的器件正逐渐被 GaN 和 SiC 晶体管所取代。

例如,在许多应用中,IGBT 正在被 SiC 器件取代。SiC 器件可以在更高的频率(100 kHz 或更高,相对于 20 kHz)进行开关,从而在提高效率的同时减小任何电感器或变压器的尺寸和成本。SiC 还可以处理比 GaN 更大的电流。

总结 GaN 与 SiC 的比较,以下是亮点:

GaN 的开关速度比 Si 快。
SiC 的工作电压高于 GaN。
SiC 需要高栅极驱动电压。
超级结 MOSFET 正逐渐被 GaN 和 SiC 所取代。SiC 似乎是车载充电器 (OBC) 的最爱。随着工程师发现更新的设备并获得使用经验,这一趋势无疑将继续下去。

汽车应用

许多电源电路和设备可以通过使用 GaN 和 SiC 进行设计来改进。最大的受益者之一是汽车电气系统。现代 HEV 和 EV 包含可以使用这些设备的设备。一些流行的应用是 DC/DC 转换器、OBC、电机驱动器和 LiDAR。图 3指出了电动汽车中需要大功率开关晶体管的主要子系统。

GaN 和 SiC 器件相似和差异

图 3:用于 HEV 和 EV 的 WBG 车载充电器。交流输入经过整流、功率因数校正,然后进行 DC/DC 转换(一个输出用于为高压电池充电,另一个用于为低压电池充电)。

DC/DC转换器

这些电源电路将高电池电压转换为较低电压以操作其他电气设备。电池电压现在最高可达 600 或 900 V。DC/DC 转换器将其降至 48 或 12 V 或两者,以便其他电子组件运行(图 3)。在 HEV 和 EV 中,DC/DC 转换器也可用于电池组和逆变器之间的高压总线。

OBCs

插入式 HEV 和 EV 包含一个连接到交流电源的内部电池充电器。这允许在没有外部 AC-DC 充电器的情况下在家充电(图 4)。

牵引电机驱动器

牵引电机是驱动车轮的高输出交流电机。驱动器是一个逆变器,可将电池电压转换为驱动电机的三相交流电。

激光雷达

LiDAR 是指一种结合光和雷达方法来检测和识别周围物体的技术。它使用脉动红外激光扫描 360° 区域并检测反射光。该信息被转换为大约 300 米范围内场景的详细 3D 图片,分辨率为几厘米。其高分辨率使其成为车辆(尤其是自动驾驶)的理想传感器,可提高对附近物体的识别能力。LiDAR 装置使用 DC/DC 转换器提供的 12 至 24 V 范围内的直流电压工作。

GaN 和 SiC 器件相似和差异

图 4:典型的 DC/DC 转换器用于将高电池电压转换为 12 和/或 48 V。高压桥中使用的 IGBT 正逐渐被 SiC MOSFET 取代。

由于其高电压、高电流和快速开关,GaN 和 SiC 晶体管都为汽车电气设计师提供了宽容和更简单的设计以及卓越的性能。

mosfet驱动芯片:https://www.zg886.cn/

半导体器件:https://www.zg886.cn/

上一条:三极管-功率半导体元器件的未来替代空间大

下一条:半导体包括哪些电子元器件

返回列表
联系我们

业务咨询:13530005572

采购咨询:15112579390

服务热线:13530005572/ 15112579390

邮箱:service@zeshuispeakers.com

深圳办事处地址:深圳市龙岗区横岗街道联旺大厦510-511

热门产品
UV2301 UV2300 UV208T
资讯动态
公司新闻 行业资讯
其他栏目
关于我们 免费试用 联系我们
泽水晶源-微信客服一业务咨询 泽水晶源-微信客服二业务咨询
深圳市泽水商贸有限公司,mosfet驱动芯片,半导体器件,备案号:粤ICP备15007128